EVGA鷹牌混凝土吊具特點:
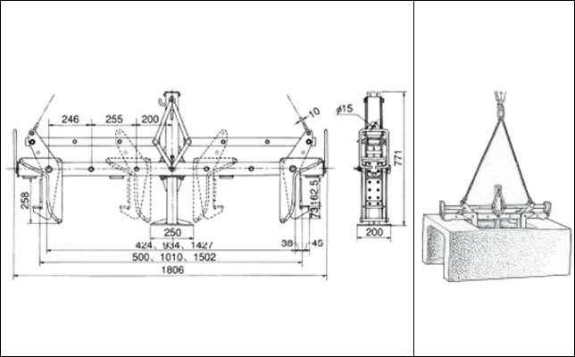
1、EVGA鷹牌混凝土吊具,載荷2000kg,本體采用高強度鋼制,結構堅固耐用。
2、鷹牌EVGA混凝土吊具,為全自動式,附有自動脫落裝置,一人即可操作。
3、EVGA鷹牌混凝土夾鉗,搖臂位置可調整,有效尺寸500·1000·1500mm可用。
4、鷹牌EVGA混凝土夾鉗,提升作業時不會給留下任何損傷,適用于可變槽的縱向起吊,運輸和鋪設等工作。
EVGA鷹牌混凝土吊具結構圖:

品牌承諾
EVGA鷹牌混凝土吊具,屬于日本鷹牌EAGLE CLAMP品牌,原裝進口,保質12個月,凡客戶從我公司訂購此品牌產品,如收到貨物時發現有假貨仿貨均以100倍金額賠償。
|